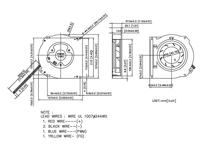
DB12728-Y

Size:127x127x28mm(5"x5"x1.1")

0%

     

     

     

    Model No. RATED
    VOLTAGE
    (V)
    RATED
    CURRENT
    (A)
    INPUT
    POWER
    (W)
    SPEED
    (RPM)
    MAX. AIR PRESSURE MAX. AIR FLOW NOISE dB(A)
    @1M
    QTY.
    inchH2O mmH2O CFM m3/min
    DB12728V24H-Y 24 0.85 20.4 6400 3.30 83.76 51.00 1.443 64.5

    *The price is only for sample. Each item price is negotiable if the quantity is large.
      The currency is USD.
      The delivery fee is not included in the unit price..


    Helpful Links
    About Us
    Video
    Conmpany profile
    Location
    PRODUCT
    AC Axial Fans & Blowers
    DC Axial Fans & Blowers
    DC Cross Flow Fan
    Contact Us